

LZZX系列微小型金屬管浮子流量計用于液體和氣體微小流量的測量。微小型金屬管浮子流量計采用全金屬結構,具有體積小、壓損小等特點,廣泛應用于各行業復雜、惡劣環境下、對微小流量、低流速、各種苛刻介質條件的流量測量與過程控制,特別適合測量混濁,不透明或腐蝕性流體。
微小流量金屬管浮子流量計結構及原理.
LZZX系列微小型金屬管浮子流量計主要由測量管、浮子和指示器組成。指示器可配備4-20mA電遠傳信號、上限和下限報警等功能。
組成:1、本體2、測量管3、浮子4、表頭5、磁耦合系統6、電氣電纜
微小流量金屬管浮子流量計主要技術參數.
1、測量范圍:水(20℃)1~3000l/h
空氣(0.1013MPa 20℃) 0.5~90000l/h
2、量程比:10:1
3、精度等級:2.5級/4.0級
4、工作壓力:PN1.6MPa
5、介質溫度:標準型:-40℃~+120℃
6、環境溫度:-40℃-+80℃
7、介質粘度:1/4”NPT,3/8"NPT1/2”NPT≤5mPa.s
3/4”NPT,1”NPT≤250mPa.s
8、輸出:標準信號:二線制4~20mA(24VDC供電)
9、供電:24VDC±20%
10、連接方式:側進測出型:NPT1/4”內螺紋
下進上出型:NPT1/4"、3/8”、1/2”、3/4”、1”內螺紋
11、電氣接口:M8×1或用戶提供規格
12、防護等級:IP65
微小流量金屬管浮子流量計選型表
|
LZZX |
結構形式 |
|
|
H |
橫向進出 |
|
|
V |
下進上出 |
|
|
測量管接液材質 |
||
|
RO |
316L不銹鋼 |
|
|
R1 |
304不銹鋼 |
|
|
R2 |
HC-276合金 |
|
|
R3 |
鈦合金 |
|
|
止檔及O型圈材質 |
||
|
A |
PTFE/Buna四氟乙烯+丁晴橡膠 |
|
|
B |
PVDF/Viton聚偏氟Z烯+氟素橡膠 |
|
|
C |
PVDF/Buna聚偏氟乙烯+丁晴橡膠 |
|
|
D |
PTFE/Kalrez四氟乙烯+全氟化橡膠 |
|
|
指示器 |
||
|
缺省 |
現場指針顯示瞬時流量 |
|
|
D |
遠傳4-20mA兩線制電流信號,本安防爆,防爆標志ExiallCT3~6 |
|
|
K1 |
上限報警(24VDC三線制輸出) |
|
|
K2 |
下限報警(24VDC三線制輸出) |
|
|
K12 |
上下限報警(24VDC三線制輸出) |
|
|
EK1 |
上限報警(8.2VDC兩線制輸出namur) |
|
|
EK2 |
下限報警(8.2VDC兩線制輸出namur) |
|
|
EK12 |
上下限報警(8.2VDC兩線制輸出namur) |
|
|
連接方式 |
||
|
1 |
NPT1/4" |
|
|
2 |
NPT3/8" |
|
|
3 |
NPT1/2" |
|
|
4 |
NPT3/4" |
|
|
5 |
NPT1" |
|
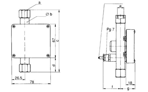
微小流量金屬管浮子流量計外形尺寸
| 型號 |
流量范圍 (Water) |
a | b | c | d | e | f | g | 安裝方式 |
| LZZX-6 | ≤100l/h | SW19 | 18 | 125 | 29 | NPT1/4" | 34 | 29 |
下進上出 側進側出 |
| LZZX-10 | 100-300l/h | SW24 | 25 | 164 | 48 | NPT3/8” | 30.5 | 32.5 | 下進上出 |
| LZZX-15 | 400-8001/h | SW27 | 25 | 164 | 48.5 | NPT1/2" | 30.5 | 32.5 | 下進上出 |
| LZZX-25 | 800-30001/h | SW50 | 50 | 230 | 81 | NPT1” | 18 | 45/50 | 下進上出 |
微小流量金屬管浮子流量計流量參考
|
型號 |
測量范圍 |
壓力損失 Mbar |
連接螺紋 |
|
|
水(l/h) |
空氣(l/h) |
|||
|
LZZX-6 |
0.1-1 |
3.5-35 |
8 |
內NPT1/4"
|
|
0.16~1.6 |
5.4-54 |
8 |
||
|
0.25~2.5 |
10~100 |
8 |
||
|
0.4~4 |
16~160 |
8 |
||
|
0.6~6 |
23~230 |
8 |
||
|
1~10 |
35~350 |
8 |
||
|
1.6~16 |
54~540 |
8 |
||
|
2.5~25 |
85~850 |
9 |
||
|
4~40 |
125~1250 |
10.5 |
||
|
6~60 |
190~1900 |
12.5 |
||
|
10~100 |
310~3100 |
17 |
||
|
LZZX-10 |
10~100 |
320~3200 |
8 |
內NPT3/8"
|
|
16~160 |
500~5000 |
8 |
||
|
20~200 |
600~6000 |
8 |
||
|
25~250 |
800~8000 |
8 |
||
|
30~300 |
900~9000 |
8 |
||
|
LZZX-15 |
40~400 |
1200~12000 |
8 |
內NPT1/2"
|
|
50~500 |
1500~15000 |
8 |
||
|
60~600 |
1800~18000 |
8 |
||
|
80~800 |
2400~24000 |
8 |
||
|
LZZX-25 |
80~800 |
2400~24000 |
3 |
內NPT3/4" 內NPT1" |
|
100~1000 |
3000~30000 |
3 |
||
|
160~1600 |
4500~45000 |
3 |
||
|
200~2000 |
6000~60000 |
3 |
||
|
250~2500 |
7500~75000 |
3 |
||
|
300~3000 |
9000~90000 |
3 |
||